ЕРМАК 20 ПС-Классика
ЕРМАК 20 ПС-Классика

ЕРМАК 20 ПС-Классика

Оптимальное соотношение цена-качество для частного домостроения с бытовыми эксплуатационными нагрузками
Высокие эксплуатационные показатели – износоустойчивость и долговечность
Высокотехнологичное безопасное производство из современных материалов по европейским стандартам
Производитель: Ермак
Объем парильного помещения (м3): 20
36900 rub class= за шт

Описание

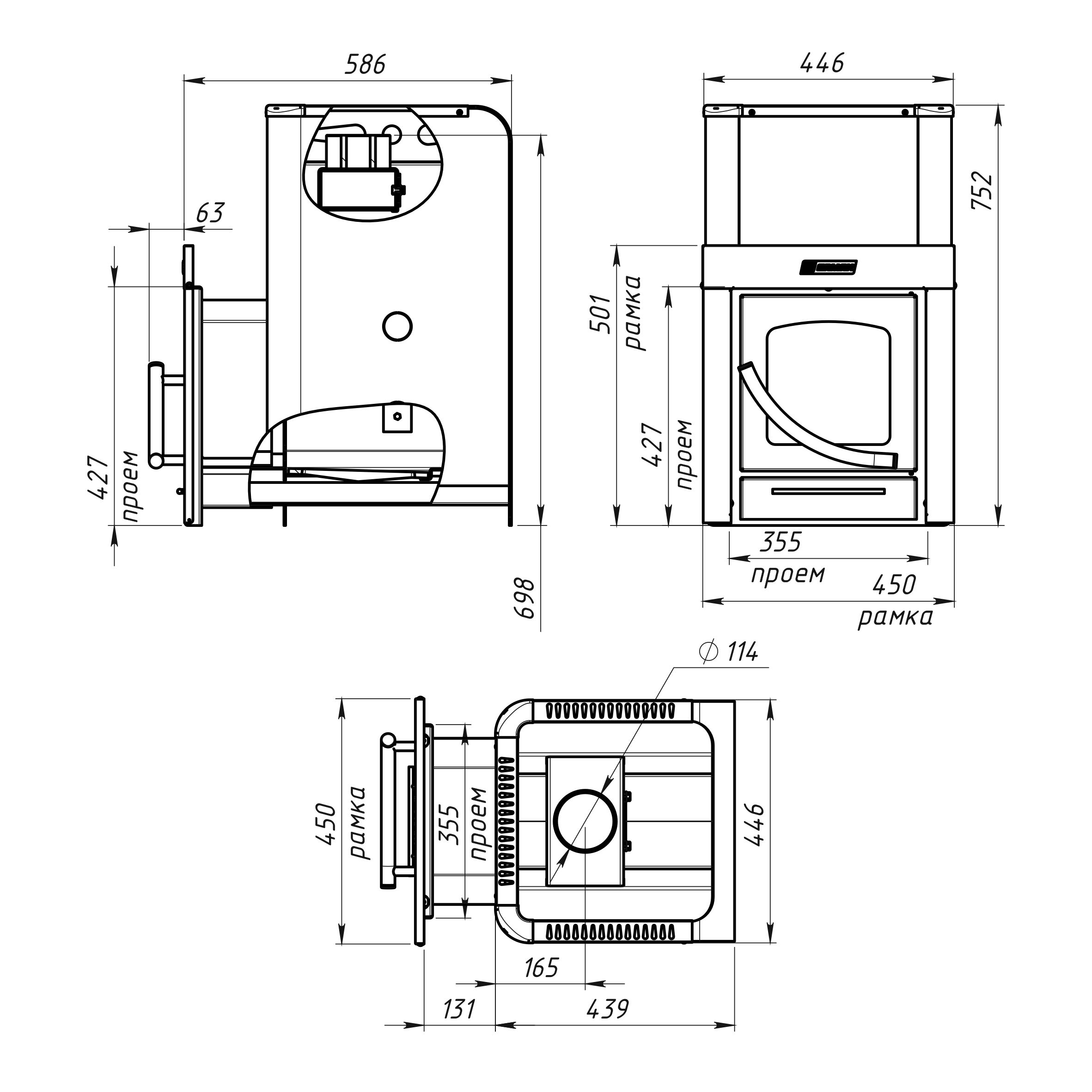
ERMAK 20-ПС Классика - это универсальная банная печь, в качестве топлива в которой могут использоваться дрова, либо топливные брикеты. Конструкция печи специально разработана для максимальной эффективности при компактных размера корпуса. Печь полностью пожаробезопасна и имеет соответствующие сертификаты безопасности.

Печь рассчитана на объем парной от 12 до 22 м3

В 2025 году начинается производство обновленной линейки печей серий "Классика" (стальная топка) и "Элит" (топка из нержавеющей стали). В печах оптимизирована и улучшена конструкция. Усилена жесткость топки дополнительным оребрением. Повышен КПД. На некоторых моделях появились новые конструктивные элементы, появилась возможность установки дополнительных опций (модуль закрытой каменки, парообразователь), а также увеличен модельный ряд по мощности (12 | 16 | 20 | 24 кВт) и варианту дверок (без стекла | со стеклом | с панорамным стеклом ). Во всех моделях с панорамным стеклом (ПС) тоннель теперь телескопический с возможностью регулирования зазора и крепления.

Надежность печи обеспечивается сочетанием оптимальных конструктивных решений, автоматической сваркой и применяемыми высококачественными жаростойкими материалами.

Особенностью данной печи является наличие большой топочной дверки с панорамным жаростойким стеклом Robax (Германия) диагональю 31 см и удобной ручкой открывания, а также выносной топочный тоннель, с возможностью регулировки по глубине от 130 до 230 мм и крепления.

Специальная конструкция печи, предусматривающая возможность установки дополнительного навесного и встраиваемого оборудования, позволяет создать свой уникальный вариант. Навесные опции размещаются на задней стенке печи. На эту печь предусмотрена установка опций "модуль закрытой каменки" и "парообразователь" для получения перегретого мелкодисперсного пара.

Задайте вопрос

Не нашли что искали? Напишите Ваш вопрос и наши специалисты Вам обязательно помогут

Cогласен с условиями обработки персональных данных
MAX