ЕРМАК 16 Классика
ЕРМАК 16 Классика

ЕРМАК 16 Классика

Оптимальное соотношение цена-качество для частного домостроения с бытовыми эксплуатационными нагрузками
Высокие эксплуатационные показатели – износоустойчивость и долговечность
Высокотехнологичное безопасное производство из современных материалов по европейским стандартам
Производитель: Ермак
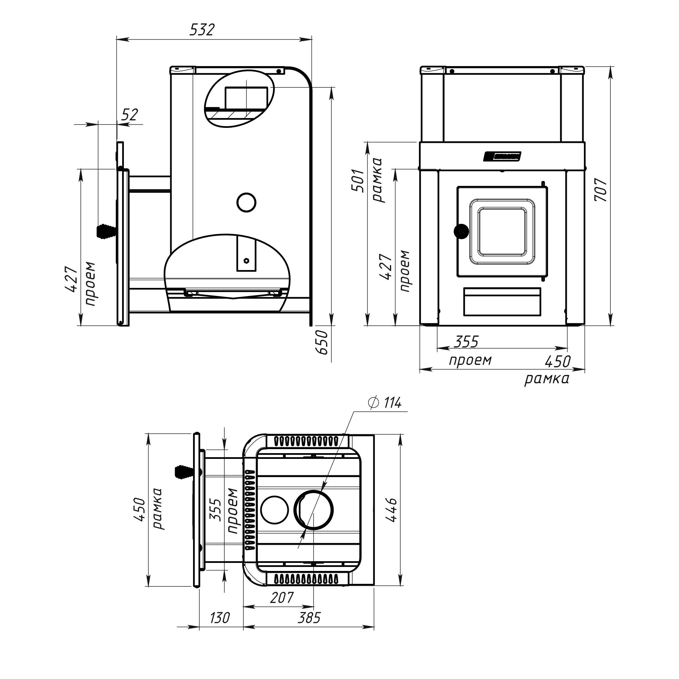
Объем парильного помещения (м3): 16
22600 rub class= за шт

Описание

Банная печь на дровах ERMAK 16 Классика


Банная печь на дровах ERMAK 16 Классика - это универсальная банная печь, в качестве топлива в которой могут использоваться дрова либо топливные брикеты. Создана для обладателей небольшой бани или сауны, получения пара и нагрева воды, с объемом парной от 8-18 м3.

Конструкция печи специально разработана для максимальной эффективности при компактных размерах корпуса. Печи полностью пожаробезопасны и имеют соответствующие сертификаты безопасности.

Печь для бани Ермак 16 Классика обладает классическим дизайном и округлыми формами корпуса.

Надежность печи обеспечивается сочетанием оптимальных конструктивных решений, автоматической сваркой и применяемыми высококачественными материалами. В конструкции дымовых каналов предусмотрено прочистное отверстие для удобного обслуживания печи.

Специальная конструкция печи, предусматривающая возможность установки дополнительного навесного и встраиваемого оборудования, позволяют создать свой уникальный вариант. Навесные опции размещаются на задней стенке печи.

Благодаря возможности печи изменяться под потребности человека она может одинаково применяться для создания режимов как русской бани на пару, так и финской суховоздушной сауны.

Задайте вопрос

Не нашли что искали? Напишите Ваш вопрос и наши специалисты Вам обязательно помогут

Cогласен с условиями обработки персональных данных
MAX